MOS管開關電路是利用MOS管柵極(g)控制MOS管源極(s)和漏極(d)通斷的原理構造的電路。因MOS管分為N溝道與P溝道,所以開關電路也主要分為兩種。
一般情況下普遍用于高端驅動的MOS,導通時需要是柵極電壓大于源極電壓。而高端驅動的MOS管導通時源極電壓與漏極電壓(VCC)相同,所以這時柵極電壓要比VCC大4V或10V.如果在同一個系統里,要得到比VCC大的電壓,就要專門的升壓電路了。很多馬達驅動器都集成了電荷泵,要注意的是應該選擇合適的外接電容,以得到足夠的短路電流去驅動MOS管。
MOS管是電壓驅動,按理說只要柵極電壓到到開啟電壓就能導通DS,柵極串多大電阻均能導通。但如果要求開關頻率較高時,柵對地或VCC可以看做是一個電容,對于一個電容來說,串的電阻越大,柵極達到導通電壓時間越長,MOS處于半導通狀態時間也越長,在半導通狀態內阻較大,發熱也會增大,極易損壞MOS,所以高頻時柵極柵極串的電阻不但要小,一般要加前置驅動電路的。
電子開關電源的電路組成如下:
開關電源的主要電路是由輸入電磁干擾濾波器(EMI)、整流濾波電路、功率變換電路、PWM控制器電路、輸出整流濾波電路組成。IC根據輸出電壓和電流時刻調整著⑥腳鋸形波占空比的大小,從而不亂了整機的輸出電流和電壓。從R3測得的電流峰值信號介入當前工作周波的占空比控制,因此是當前工作周波的電流限制。
Q1的柵極受控電壓為鋸形波,當其占空比越大時,Q1導通時間越長,變壓器所儲存的能量也就越多;當Q1截止時,變壓器通過D1、D2、R5、R4、C3開釋能量,同時也達到了磁場復位的目的,為變壓器的下一次存儲、傳遞能量做好了預備。在開關管Q1關斷時,變壓器的原邊線圈易產生尖峰電壓和尖峰電流,這些元件組合一起,能很好地吸收尖峰電壓和電流。
1:輸入濾波電路:C1、L1、C2組成的雙π型濾波網絡主要是對輸入電源的電磁噪聲及雜波信號進行按捺,防止對電源干擾,同時也防止電源本身產生的高頻雜波對電網干擾。Z1通常將MOS管的GS電壓限制在18V以下,從而保護了MOS管。因瞬時能量全消耗在RT1電阻上,一定時間后溫度升高后RT1阻值減(RT1是負溫系數元件),這時它消耗的能量非常小,后級電路可正常工作。C3、C4 為安規電容,L2、L3為差模電感。
2:輸入濾波電路:C1、L1、C2、C3組成的雙π型濾波網絡主要是對輸入電源的電磁噪聲及雜波信號進行按捺,防止對電源干擾,同時也防止電源本身產生的高頻雜波對電網干擾。
3:工作原理:R4、C3、R5、R6、C4、D1、D2組成緩沖器,和開關MOS管并接,使開關管電壓應力減少,EMI減少,不發生二次擊穿。輔助電路有輸入過欠壓保護電路、輸出過欠壓保護電路、輸出過流保護電路、輸出短路保護電路等。
MOS管電子開關電路圖的特點
MOS管種類和結構
MOSFET管是FET的一種(另一種是JFET),可以被制造成增強型或耗盡型,P溝道或N溝道共4種類型,但實際應用的只有增強型的N溝道MOS管和增強型的P溝道MOS管,所以通常提到NMOS,或者PMOS指的就是這兩種。至于為什么不使用耗盡型的MOS管,不建議刨根問底。對于這兩種增強型MOS管,比較常用的是NMOS.原因是導通電阻小,且容易制造。所以開關電源和馬達驅動的應用中,一般都用NMOS.下面的介紹中,也多以NMOS為主。
MOS管的三個管腳之間有寄生電容存在,這不是我們需要的,而是由于制造工藝限制產生的。寄生電容的存在使得在設計或選擇驅動電路的時候要麻煩一些,但沒有辦法避免,后邊再詳細介紹。在MOS管原理圖上可以看到,漏極和源極之間有一個寄生二極管。這個叫體二極管,在驅動感性負載(如馬達),這個二極管很重要。順便說一句,體二極管只在單個的MOS管中存在,在集成電路芯片內部通常是沒有的。
MOS管導通特性
導通的意思是作為開關,相當于開關閉合。
NMOS的特性,Vgs大于一定的值就會導通,適合用于源極接地時的情況(低端驅動),只要柵極電壓達到4V或10V就可以了。
PMOS的特性,Vgs小于一定的值就會導通,適合用于源極接VCC時的情況(高端驅動)。但是,雖然PMOS可以很方便地用作高端驅動,但由于導通電阻大,價格貴,替換種類少等原因,在高端驅動中,通常還是使用NMOS.
MOS開關管損失
不管是NMOS還是PMOS,導通后都有導通電阻存在,這樣電流就會在這個電阻上消耗能量,這部分消耗的能量叫做導通損耗。選擇導通電阻小的MOS管會減小導通損耗?,F在的小功率MOS管導通電阻一般在幾十毫歐左右,幾毫歐的也有。
MOS在導通和截止的時候,一定不是在瞬間完成的。MOS兩端的電壓有一個下降的過程,流過的電流有一個上升的過程,在這段時間內,MOS管的損失是電壓和電流的乘積,叫做開關損失。通常開關損失比導通損失大得多,而且開關頻率越快,損失也越大。
導通瞬間電壓和電流的乘積很大,造成的損失也就很大??s短開關時間,可以減小每次導通時的損失;降低開關頻率,可以減小單位時間內的開關次數。這兩種辦法都可以減小開關損失。
MOS管驅動
跟雙極性晶體管相比,一般認為使MOS管導通不需要電流,只要GS電壓高于一定的值,就可以了。這個很容易做到,但是,我們還需要速度。
在MOS管的結構中可以看到,在GS,GD之間存在寄生電容,而MOS管的驅動,實際上就是對電容的充放電。對電容的充電需要一個電流,因為對電容充電瞬間可以把電容看成短路,所以瞬間電流會比較大。選擇/設計MOS管驅動時第一要注意的是可提供瞬間短路電流的大小。
而在進行MOSFET的選擇時,因為MOSFET有兩大類型:N溝道和P溝道。在功率系統中,MOSFET可被看成電氣開關。當在N溝道MOSFET的柵極和源極間加上正電壓時,其開關導通。導通時,電流可經開關從漏極流向源極。漏極和源極之間存在一個內阻,稱為導通電阻RDS(ON)。必須清楚MOSFET的柵極是個高阻抗端,因此,總是要在柵極加上一個電壓。這就是后面介紹電路圖中柵極所接電阻至地。如果柵極為懸空,器件將不能按設計意圖工作,并可能在不恰當的時刻導通或關閉,導致系統產生潛在的功率損耗。當源極和柵極間的電壓為零時,開關關閉,而電流停止通過器件。雖然這時器件已經關閉,但仍然有微小電流存在,這稱之為漏電流,即IDSS.
MOS管電子開關電路圖大全-六款
(一)
圖中電池的正電通過開關S1接到場效應管Q1的2腳源極,由于Q1是一個P溝道管,它的1腳柵極通過R20電阻提供一個正電位電壓,所以不能通電,電壓不能繼續通過,3v穩壓IC輸入腳得不到電壓所以就不能工作不開機!這時,如果我們按下SW1開機按鍵時,正電通過按鍵、R11、R23、D4加到三極管Q2的基極,三極管Q2的基極得到一個正電位,三極管導通(前面講到三極管的時候已經講過),由于三極管的發射極直接接地,三極管Q2導通就相當于Q1的柵極直接接地,加在它上面的通過R20電阻的電壓就直接入了地,Q1的柵極就從高電位變為低電位,Q1導通電就從Q1同過加到3v穩壓IC的輸入腳,3v穩壓IC就是那個U1輸出3v的工作電壓vcc供給主控,主控通過復位清0,讀取固件程序檢測等一系列動作,輸處一個控制電壓到PWR_ON再通過R24、R13分壓送到Q2的基極,保持Q2一直處于導通狀態,即使你松開開機鍵斷開Q1的基極電壓,這時候有主控送來的控制電壓保持著,Q2也就一直能夠處于導通狀態,Q1就能源源不斷的給3v穩壓IC提供工作電壓!SW1還同時通過R11、R30兩個電阻的分壓,給主控PLAYON腳送去時間長短、次數不同的控制信號,主控通過固件鑒別是播放、暫停、開機、關機而輸出不同的結果給相應的控制點,以達到不同的工作狀態!


(二)
下圖是兩種MOS管的典型應用:其中第一種NMOS管為高電平導通,低電平截斷,Drain端接后面電路的接地端;第二種為PMOS管典型開關電路,為高電平斷開,低電平導通,Drain端接后面電路的VCC端。


(三)
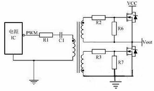
驅動電路加速MOS管關斷時間,為了滿足如圖所示高端MOS管的驅動,經常會采用變壓器驅動,有時為了滿足安全隔離也使用變壓器驅動。其中R1目的是抑制PCB板上寄生的電感與C1形成LC振蕩,C1的目的是隔開直流,通過交流,同時也能防止磁芯飽和。


(四)
如圖所示為常用的小功率驅動電路,簡單可靠成本低。適用于不要求隔離的小功率開關設備。如圖所示驅動電路開關速度很快,驅動能力強,為防止兩個MOSFET管直通,通常串接一個0.5~1Ω小電阻用于限流,該電路適用于不要求隔離的中功率開關設備。這兩種電路特點是結構簡單。


功率MOSFET屬于電壓型控制器件,只要柵極和源極之間施加的電壓超過其閥值電壓就會導通。由于MOSFET存在結電容,關斷時其漏源兩端電壓的突然上升將會通過結電容在柵源兩端產生干擾電壓。常用的互補驅動電路的關斷回路阻抗小,關斷速度較快,但它不能提供負壓,故抗干擾性較差。為了提高電路的抗干擾性,可在此種驅動電路的基礎上增加一級有V1、V2、R組成的電路,產生一個負壓,電路原理圖如圖所示。


(五)
正激式驅動電路
電路原理如圖所示,N3為去磁繞組,S2為所驅動的功率管。R2為防止功率管柵極、源極端電壓振蕩的一個阻尼電阻。因不要求漏感較小,且從速度方面考慮,一般R2較小,故在分析中忽略不計。其等效電路圖如圖所示脈沖不要求的副邊并聯一電阻R1,它做為正激變換器的假負載,用于消除關斷期間輸出電壓發生振蕩而誤導通。同時它還可以作為功率MOSFET關斷時的能量泄放回路。該驅動電路的導通速度主要與被驅動的S2柵極、源極等效輸入電容的大小、S1的驅動信號的速度以及S1所能提供的電流大小有關。由仿真及分析可知,占空比D越小、R1越大、L越大,磁化電流越小,U1值越小,關斷速度越慢。該電路具有以下優點:①電路結構簡單可靠,實現了隔離驅動。②只需單電源即可提供導通時的正、關斷時負壓。③占空比固定時,通過合理的參數設計,此驅動電路也具有較快的開關速度。該電路存在的缺點:一是由于隔離變壓器副邊需要噎嗝假負載防振蕩,故電路損耗較大;二是當占空比變化時關斷速度變化較大。脈寬較窄時,由于是儲存的能量減少導致MOSFET柵極的關斷速度變慢。


(六)
有隔離變壓器的互補驅動電路
如圖所示,V1、V2為互補工作,電容C起隔離直流的作用,T1為高頻、高磁率的磁環或磁罐。導通時隔離變壓器上的電壓為(1-D)Ui、關斷時為DUi,若主功率管S可靠導通電壓為12V,而隔離變壓器原副邊匝比N1/N2為12/[(1-D)Ui]。為保證導通期間GS電壓穩定C值可稍取大些。該電路具有以下優點:
①電路結構簡單可靠,具有電氣隔離作用。當脈寬變化時,驅動的關斷能力不會隨著變化。
②該電路只需一個電源,即為單電源工作。隔直電容C的作用可以在關斷所驅動的管子時提供一個負壓,從而加速了功率管的關斷,且有較高的抗干擾能力。
但該電路存在的一個較大缺點是輸出電壓的幅值會隨著占空比的變化而變化。當D較小時,負向電壓小,該電路的抗干擾性變差,且正向電壓較高,應該注意使其幅值不超過MOSFET柵極的允許電壓。當D大于0.5時驅動電壓正向電壓小于其負向電壓,此時應該注意使其負電壓值不超過MOAFET柵極允許電壓。所以該電路比較適用于占空比固定或占空比變化范圍不大以及占空比小于0.5的場合。

烜芯微專業制造二三極管,MOS管,20年,工廠直銷省20%,1500家電路電器生產企業選用,專業的工程師幫您穩定好每一批產品,如果您有遇到什么需要幫助解決的,可以點擊右邊的工程師,或者點擊銷售經理給您精準的報價以及產品介紹

烜芯微專業制造二三極管,MOS管,20年,工廠直銷省20%,1500家電路電器生產企業選用,專業的工程師幫您穩定好每一批產品,如果您有遇到什么需要幫助解決的,可以點擊右邊的工程師,或者點擊銷售經理給您精準的報價以及產品介紹

