該文講述了二極管正向浪涌電流測試的基本要求和標準測試方法,針對標準測試方法存在的不足,設計實現了采用信號控制、電容儲能和大功率場效應管晶體管電流驅動的電路解決方案,簡潔而又高效地實現了二極管正向浪涌電流的測試。
正弦半波脈沖電流的產生
二極管的規格繁多,常見的額定通態電流從數百毫安到數百安培甚至更高,ifsm測試需要的峰值脈沖電流要求達到數十倍的額定通態電流值。標準的測試方法是采用大容量工頻變壓器,截取市電交流波形來產生時間常數為10ms、導通角為0°~180°的正弦半波脈沖,如圖1。


圖1 正向浪涌電流測試電路
用這種方法產生幾百上千安培的正弦脈沖電流,所用到的變壓器體積重量都非常可觀,安裝與使用十分不便。一些國外公司的產品對浪涌沖擊電流波形有特殊要求,比如要求在正向整流電流的基礎上再加一個時間常數為10ms或8.3ms、導通角為0°~180°的正弦半波脈沖電流,或者要求施加連續兩個時間常數為10ms或8.3ms、導通角為0°~180°的正弦半波脈沖電流等。顯然再采用市電截取的方法,已經很難滿足不同器件的測試要求了。
設計思路
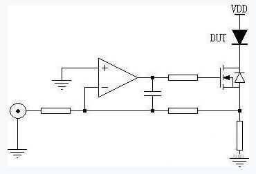
大功率場效應管晶體管是一類標準的電壓控制電流器件,在vdmos管的線性工作區內,漏極電流受柵極電壓控制:ids=gfs*vgs[2]。給柵極施加所需要的電壓波形,在漏極就會輸出相應的電流波形。因此,選用大功率vdmos管適合用于實現所需的浪涌電流波形,電路形式如圖2所示。


圖2 vdmos電流驅動電路
運放組成基本的反向運算電路,驅動vdmos管的柵極,漏源電流通過vdmos管源極取樣電阻,加到運放反向輸入端,與輸入波形相加形成反饋,運放輸出電壓控制vdmos管的柵極電壓vgs,進而控制漏極輸出電流ids[3]。這個ids就是施加給待測二極管(dut)的正向浪涌電流。
單只vdmos管的功率和電流放大能力是有限的,無法達到上千安培的輸出電流能力,采用多只并聯的方式可以解決這個問題,以達到所需要的峰值電流。常見的連接方法如圖3所示。


圖3 vdmos并聯方式
本測試方案采用了成熟的電路控制技術,簡潔而有效地實現了各種浪涌沖擊測試的要求。使用的都是常規易得的元器件,組建的裝置體積小重量輕,可以很方便地安裝在普通儀器箱中,成為一件標準測試儀器。具有使用靈活、易操作,測試精準度高,安全可靠等特點。
烜芯微專業制造二極管,三極管,MOS管,橋堆等20年,工廠直銷省20%,4000家電路電器生產企業選用,專業的工程師幫您穩定好每一批產品,如果您有遇到什么需要幫助解決的,可以點擊右邊的工程師,或者點擊銷售經理給您精準的報價以及產品介紹
烜芯微專業制造二極管,三極管,MOS管,橋堆等20年,工廠直銷省20%,4000家電路電器生產企業選用,專業的工程師幫您穩定好每一批產品,如果您有遇到什么需要幫助解決的,可以點擊右邊的工程師,或者點擊銷售經理給您精準的報價以及產品介紹

