一.戴維寧等效電路
各種等效電路暫不贅述,舉例筆者在工作中常用的


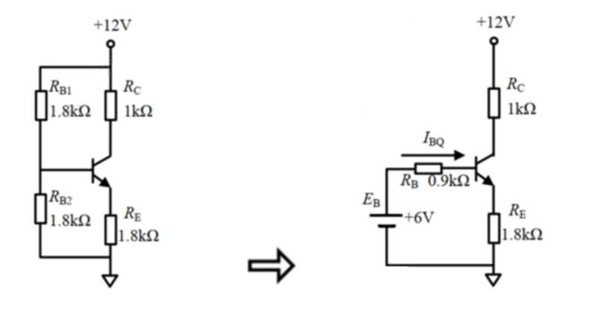
如上圖所示,此種在工作最為常見,當評審別人電路時候來算他們三極管導通狀態,熟悉經常口算就可以,判斷三極管何種狀態。
舉例:三極管基極獨立供電,利用三極管估算法算得


第一步,完成戴維寧等效果后,利用基爾霍夫電壓定律,列出方程:
EB=IBQRB+UBEQ+(1+β)IBQRE結得IBQ=(EB-UBEQ)/(RB+(1+β)RE)=29.01UA
第二步,根據放大狀態下,晶體管基本電流關系IEQ=(1+β)IBQ=101*29.01=2.901MA
第三步,據歐姆定律,有UEQ=IEQ*RE=2.930*1.8KR=5.274V UCQ=EC-ICO*RC=12-2.901MA*1KR=9.099V
第四步,UCEQ=UCQ-UEQ=9.099-5.274=3.825V,可判斷晶體管屬于放大狀態。
思路:計算三極管靜態其實就是通過基極電流,算出集電極和射極的電流,來算出電壓,集電極和射極的電勢差。
電話:18923864027(同微信)
QQ:709211280
烜芯微專業制造二極管,三極管,MOS管,橋堆等20年,工廠直銷省20%,上萬家電路電器生產企業選用,專業的工程師幫您穩定好每一批產品,如果您有遇到什么需要幫助解決的,可以點擊右邊的工程師,或者點擊銷售經理給您精準的報價以及產品介紹
電話:18923864027(同微信)
QQ:709211280
烜芯微專業制造二極管,三極管,MOS管,橋堆等20年,工廠直銷省20%,上萬家電路電器生產企業選用,專業的工程師幫您穩定好每一批產品,如果您有遇到什么需要幫助解決的,可以點擊右邊的工程師,或者點擊銷售經理給您精準的報價以及產品介紹

