利用二極管的開關特性構成波形的限幅和鉗位
一. 限幅電路
波形限幅電路又稱為限幅器,功能是將輸入波形的一部分傳送到輸出端,而將其余部分抑制掉??梢岳眠@個對脈沖波形進行變換或整形。
(1)串聯單向限幅電路
把輸入波形中瞬時電位低于或高于Vref1的部分波形抑制掉
串聯下限限幅器電路圖:
把輸入波形中瞬時電位低于VREF1的部分波形抑制掉

得出:
1.當V1 > VREF1時,二極管導通,輸出Vo約=V1,波形不變
2.當V1 < VREF1時, 二極管截止,輸出Vo約=VREF1
(2)串聯雙向限幅電路
電路圖:

得出:
1.當V1 < VREF1時,二極管D1截止,D2導通,輸出Vo約=VA,實現下限限幅,限幅電平為VA
2.當V1 > VREF2時,二極管D1導通,D2截止,輸出Vo約=VREF2,實現上限限幅,限幅電平為VREF2
3.當VA < V1 < VREF2時,二極管D1、D2均導通,輸出Vo約=V1,波形不變
工作波形圖:


(3)并聯單向限幅電路
并聯下限限幅電路圖及其工作波形:


將二極管D反接,即可實現限幅電平為VREF的并聯上限限幅
(4)并聯雙向限幅電路
電路圖及其工作波形:

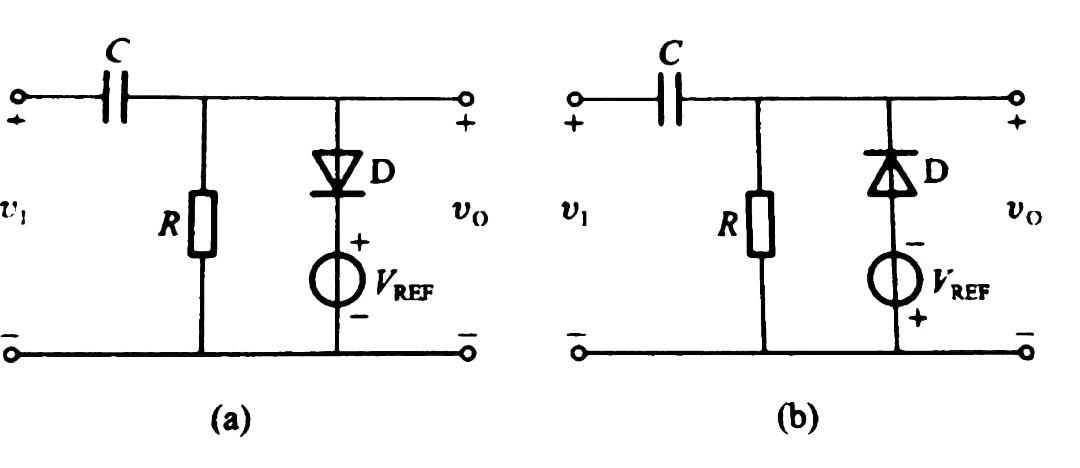
二.鉗位電路
波形的鉗位電路是將脈沖波形的頂部或底部鉗定在某一電平上
電路圖:

上圖所示為將脈沖波形頂部鉗位于零電平的鉗位器及其工作波形
如需改變鉗位電平,可以在二極管D的支路中串聯一個電源VREF
電話:18923864027(同微信)〈烜芯微/XXW〉專業制造二極管,三極管,MOS管,橋堆等20年,工廠直銷省20%,上萬家電路電器生產企業選用,專業的工程師幫您穩定好每一批產品,如果您有遇到什么需要幫助解決的,可以點擊右邊的工程師,或者點擊銷售經理給您精準的報價以及產品介紹

