IGBT反并聯二極管的功能
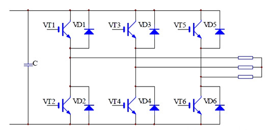
下圖是三相雙向逆變電路,圖中我們可以看到反并聯二極管的用法。

當輸入直流電壓高于負載反向電動勢時,它是一個逆變電路,將直流電變成峰值等于(或小于)直流電壓的交流電(波形由驅動信號決定,常用驅動信號是SPWM正弦脈寬調制,即正弦波交流電)。
當輸入直流電壓低于負載反向電動勢時,它是一個三相整流橋,此時來自負載的反向充電電流經整流橋流回直流電源,實現電剎車。
為什么要把兩者封裝在一塊。事實上大部分的IGBT應用都是上圖的電路(兩相、三相或更多相),封裝在一起可以降低成本、簡化電路、增加可靠性。而IGBT單獨使用時,反向二極管通常不起作用,也就不影響電路設計,只是要小心電線接反時可能導致電機誤動。
IGBT反并聯二極管反向恢復
二極管的反向恢復過程,實際上是其工作點從導通過度到截止。
二極管從處于導通狀態到處于關斷的狀態,不是在一個時間點上完成的,而是在一段時間內完成的,這段時間伴隨著二極管兩端的電壓和流過它的電流的劇烈變化。

上圖,二極管本來在續流,藍色箭頭,即二極管處于正向導通狀態,下管IGBT打開之后,二極管的電流開始減小(方向朝上),直到變成0,然后反向增加到一個峰值(方向朝下,紅色箭頭),接著反向減小(反向朝下,紅色箭頭)到0,此時二極管才完成了關斷過程。

所以反向尖峰電流是朝下的,這一點對理解退保和檢測中的假故障報錯很有幫助。
即二極管反向恢復尖峰電流是從下管的IGBT集電極C到發射極E,這個電流很大,上上圖中的紅色箭頭。
〈烜芯微/XXW〉專業制造二極管,三極管,MOS管,橋堆等,20年,工廠直銷省20%,上萬家電路電器生產企業選用,專業的工程師幫您穩定好每一批產品,如果您有遇到什么需要幫助解決的,可以直接聯系下方的聯系號碼或加QQ/微信,由我們的銷售經理給您精準的報價以及產品介紹
聯系號碼:18923864027(同微信)
QQ:709211280

