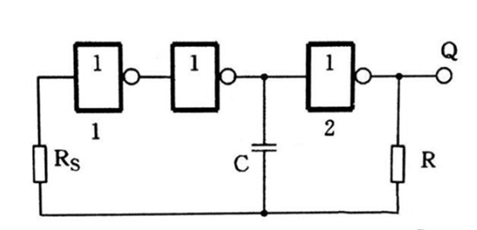
兩個非門組成的振蕩器

振蕩原理:
假設Q為低電平,則非門2的輸入端為高電平,經過R對C充電,C的電壓上升,直到非門1輸入端的電壓達到反轉電壓,此時非門1的輸出變為低電平,Q變為高電平。
此時,Q點、C、R、非門2的輸入端,極性反轉,相對于之前變為放電回路,然后轉為反向充電,C的電壓下降,直到非門1輸入的電壓達到反轉電壓,此時非門1的輸出變為高電平,Q變為低電平。
如此循環,形成振蕩,在Q端輸出方波。
如果非門的反轉電壓為電源電壓的1/2。
則振蕩周期:T≈2.2·R·C
Rs用于穩定振蕩頻率,驅使為6~10倍的R。
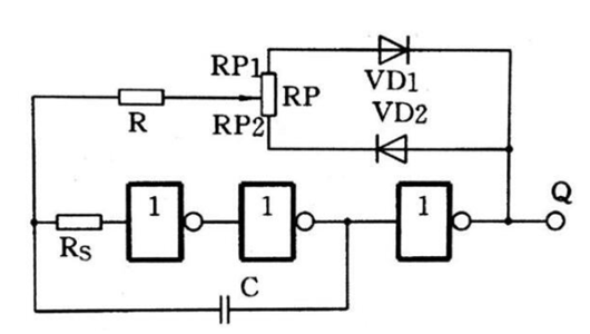
三個非門組成的振蕩器

原理和兩個非門的差不多,但是相比起兩個非門的振動器更容易起振,工作更穩定,還能獲得更高的振蕩頻率。
三個非門組成的可變占空比振蕩器

通過滑動電位器RP使占空比可調。
充電回路(RP2+R)·C
放電回路(RP1+R)·C
另外,用施密特觸發器組成的多諧振蕩器比用一般門電路組成的,更簡單,頻率更寬,受到電源電源和溫度的影響更小。
〈烜芯微/XXW〉專業制造二極管,三極管,MOS管,橋堆等,20年,工廠直銷省20%,上萬家電路電器生產企業選用,專業的工程師幫您穩定好每一批產品,如果您有遇到什么需要幫助解決的,可以直接聯系下方的聯系號碼或加QQ/微信,由我們的銷售經理給您精準的報價以及產品介紹
聯系號碼:18923864027(同微信)
QQ:709211280

