三節鋰電池串聯充電電路:
1,PW4053,輸入5V,升壓輸出12.6V的三節鋰電池充電管理芯片,1A;
2,PW4203,輸入15V-20V,降壓輸出12.6V的三節鋰電池充電電流芯片,2A。


鋰電池如是可拆卸和拔插應用時,會產生浪涌瞬間尖峰高壓,CBAT需改成100uF電解電容。
15V-20V輸入給三節鋰電池充電芯片電路圖


三節鋰電池串聯輸出電路:
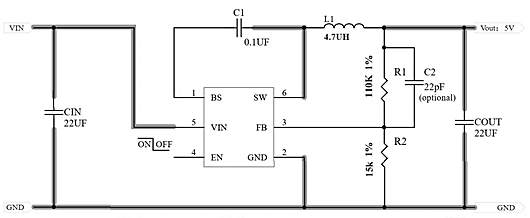
對于三節鋰電池的輸出來說,如果是DC-DC的話,就由1A-5A的多種選擇了。
如果是LDO的話,就有兩個,PW6218輸入電壓最大18V,PW6206輸入電壓最大40V,都是SOT23-3封裝。




PW2162,輸入4V-16V,最大2A;PW2312,輸入4V-30V,最大1.2A
PW2163,輸入4V-18V,最大3A;4A,5A的電路不一樣,SOP8封裝。
三節鋰電池串聯保護電路:
三節鋰電池保護電路一般都是精工的比較常見的多,三節,四節等等。


S-8254三節鋰電池串聯保護板電路
〈烜芯微/XXW〉專業制造二極管,三極管,MOS管,橋堆等,20年,工廠直銷省20%,上萬家電路電器生產企業選用,專業的工程師幫您穩定好每一批產品,如果您有遇到什么需要幫助解決的,可以直接聯系下方的聯系號碼或加QQ/微信,由我們的銷售經理給您精準的報價以及產品介紹
聯系號碼:18923864027(同微信)
QQ:709211280

